 |
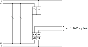
Nennspannung/Nennstrom: 230V 50Hz/5 (25)A |
 |
Genauigkeitsklasse 1 (1%) mit PTB-Zulassung |
 |
Montage Tragschiene DIN-EN 50022, 1TE = 18mm breit, 58mm hoch oder Aufputzgehäuse REG18 |
 |
Schnittstelle Optokoppler (SO nach DIN 43864), 2000 Imp./kWh, 30V/20mA max., 5V min. Impedanz 100 Ohm, Impulsdauer 50ms |
 |
LED-Anzeige Bei Falschanschluss mit je 0,6s ein/aus blinkend. Sonst abhängig vom Stromverbrauch ruhig blinkend mit einer Pause von ca. 0,1s |
 |
Anzeige 6 Stellen für Kilowattstunden (weiß) und 1 Dezimalstelle (rot) |
 |
Leistungsaufnahme/Eigenverbrauch: 9VA |
 |
Grenzspannungsbereich: 184V bis 265V |
 |
Betriebs- und Grenzstrombereich: 20mA bis 25A |
 |
Betriebsfrequenzbereich: 40Hz bis 60Hz |
 |
Temperatur an der Einbaustelle: +45°C/-10°C |
 |
Prüfspannung nach VDE0435 4000V |
 |
Schutzklasse IP 50, Anschlüsse IP 20 |
 |
Querschnitt der Zugbügelklemmen 12mm⊃2; |
 |
Maximaler Querschnitt eines Leiters 6mm⊃2; |
 |
Schraubenkopf: Schlitz/Kreuzschlitz, pozidriv |
 |
Berührungsschutz (geräteseitig) VDE 0106 und VBG4 |
 |
Erfüllte Normen EN 61036 |